THIS PROCEDURE MUST BE PERFORMED BY A QUALIFIED TECHNICIAN.
WARNING
HAZARDOUS VOLTAGE: Risk of electric shock. Can cause injury, or death. System may be connected to more than one branch circuit. Disconnect power to all circuits before servicing.

Outline
- Replacement▼
- Setting the Clock▼
- Set the Schedule▼
- View the Schedule▼
- Clearing a Schedule▼
- Overrides▼
- Final Checkout▼
- Wiring Diagrams▼
REPLACEMENT
Disconnect Power
De-energize the system.
Remove Old Time Clock
For time clocks mounted on din rail, remove the existing time clock from the mounting rail. Pry down on the tab located at the bottom of the clock (Figure 1) and pull outward.

Figure 1
Install New Time Clock
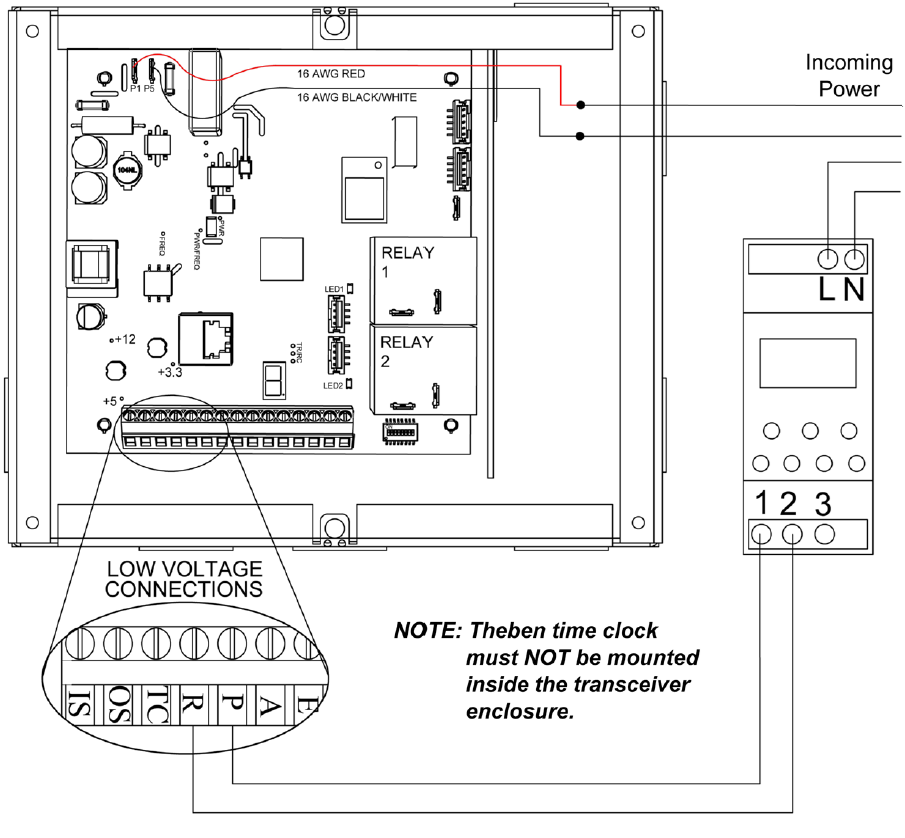
Position the new click on the appropriate mounting bracket and connect wiring in accordance with the wiring diagram for the application (Figures 2 - 7 below▼).





