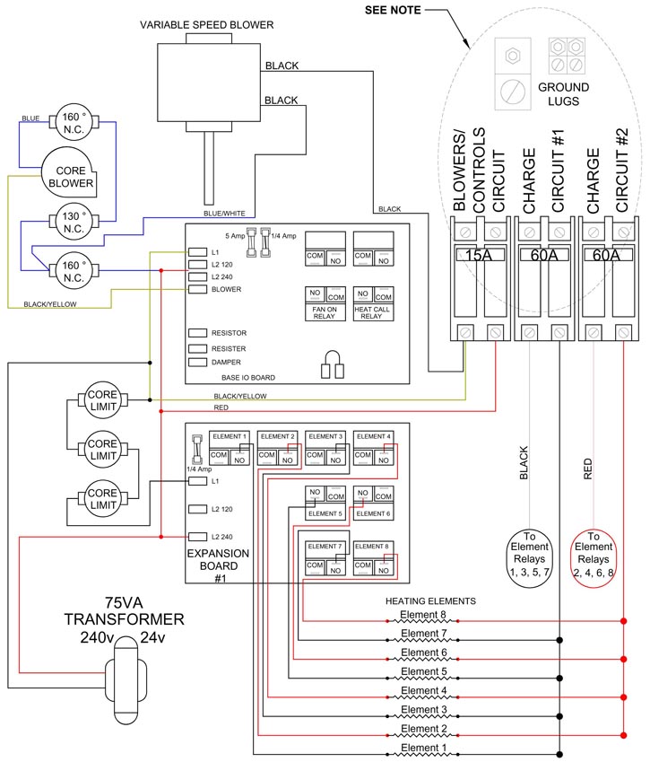
Line Voltage Wiring Diagram - 3100 Series With Variable Speed Motor

NOTE: Use copper or aluminum conductors rated for 75°C or higher for field connection of this device.

NOTE: Line Voltage Field Wiring Connections - See Circuit Phasing Connections.